关于我们
公司简介
企业文化
发展历程
荣誉资质
公司环境
产品中心
综合布线
数据中心
光通信
智能对讲
监控安防
电工电气
浙江大华
网络摄像机
球机
韩电通信 ● 洲明
综合布线系统解决方案
铜缆布线产品方案
光纤布线产品方案
安防弱电线缆
洲明
南京普天天纪
综合布线工作区
机柜机架系列
线缆系列
华为
工程项目
能源制造业
运营商
金融
酒店、商业
医疗
科研
教育文化
智能小区
政府、部队、事业单位
体育馆
交通枢纽
新闻动态
新闻动态
产品知识
联系我们
联系方式
人才招聘
新闻动态
News and information
首页
新闻动态
产品知识
新闻动态
产品知识
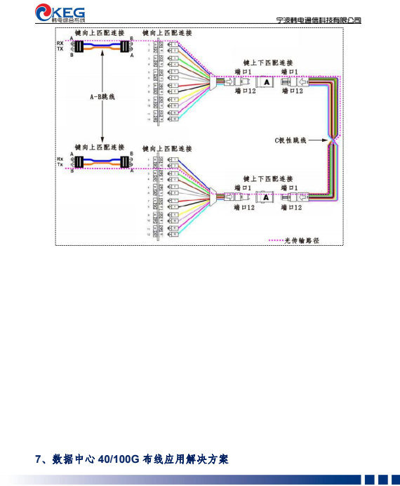
数据中心MPO解决方案
发布时间:2023-05-15
浏览次数:339
发布者:本站
上一篇
一文读懂宽带、带宽、网速之间的区别与关系
下一篇
解读综合布线12大热点技术趋势
返回列表
推荐新闻
江西西堂带你了解模块化机房机柜规划和布线需要考虑哪些方面呢?
江西西堂带你了解模块化机房机柜规划和布线需要考虑哪些方面呢?
江西西堂信息产业有限公司带你体验最全面的综合布线施工工艺要求
江西西堂信息产业有限公司带你体验最全面的综合布线施工工艺要求
江西西堂信息产业有限公司带你了解公共广播(背景音乐)系统布线
江西西堂信息产业有限公司带你了解公共广播(背景音乐)系统布线
江西西堂信息产业有限公司带你了解综合布线系统基本知识!看图学习更简单
江西西堂信息产业有限公司带你了解综合布线系统基本知识!看图学习更简单
江西西堂信息产业有限公司带你深入了解光纤入户FTTH建设方案培训资料,弱电小白必
江西西堂信息产业有限公司带你深入了解光纤入户FTTH建设方案培训资料,弱电小白必
商桥咨询
15979109117
0791-88188998
在线留言